This product can no longer be ordered. Please contact our sales support with the form. Thank you
Specifications
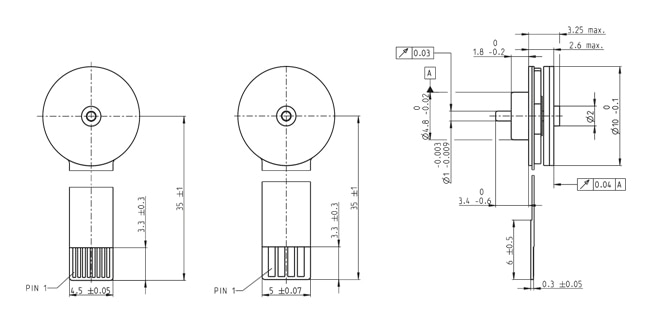
Technical illustrations
- Dimension drawing
Information: Drawings are not to scale.
This product can no longer be ordered. Please contact our sales support with the form. Thank you

Information: Drawings are not to scale.