Details
EC 20 flat Ø20 mm, brushless, 2 Watt, with integrated electronics, without cover | 1-Q-speed controller
Part number 349694
This product is being discontinued. Our sales team will be happy to inform you about last order dates and alternatives.
Specifications
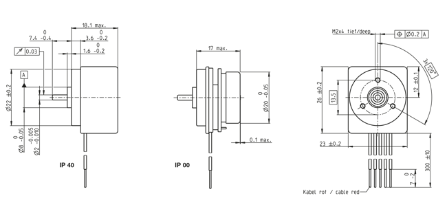
Technical illustrations
- Dimension drawing
Information: Drawings are not to scale.
| Values at nominal voltage | |
| Nominal voltage | 24 V |
| No load speed | 6000 rpm |
| No load current | 14.7 mA |
| Nominal speed | 6000 rpm |
| Nominal torque (max. continuous torque) | 3.55 mNm |
| Nominal current (max. continuous current) | 0.208 A |
| Stall torque | 6.13 mNm |
| Stall current | 0.73 A |
| Max. efficiency | 52 % |
| Characteristics | |
| Operating mode | Speed |
| Terminal resistance | 9.39 Ω |
| Terminal inductance | 1.3 mH |
| Torque constant | 8.4 mNm/A |
| Speed constant | 1140 rpm/V |
| Speed / torque gradient | 1270 rpm/mNm |
| Mechanical time constant | 42.6 ms |
| Rotor inertia | 3.2 gcm² |
| Speed set value input | 033108 |
| Scaling speed set value input | 600 rpm/V |
| Speed range | 200..6480 |
| Thermal data | |
| Thermal resistance housing-ambient | 17.2 K/W |
| Thermal resistance winding-housing | 7.98 K/W |
| Thermal time constant winding | 3.5 s |
| Thermal time constant motor | 258 s |
| Ambient temperature | -40...+85 °C |
| Max. winding temperature | +125 °C |
| Mechanical data | |
| Bearing type | ball bearings |
| Max. speed | 6480 rpm |
| Axial play | 0 mm, at radial load < 2 N |
| 0.14 mm, at radial load > 2 N | |
| Max. axial load (dynamic) | 1.8 N |
| Max. force for press fits (static) | 26 N |
| (static, shaft supported) | 200 N |
| Max. radial load | 11 N, 5 mm from flange |
| Other specifications | |
| Number of pole pairs | 4 |
| Number of phases | 3 |
| Number of autoclave cycles | 0 |
| Product | |
| Weight | 30 g |
