Details
NRND
Spur Gearhead GS 16 K Ø16 mm, 0.01 - 0.03 Nm, Plastic Version | Plastic Version
Part number 207408
| Price scales | Quantity | Price per unit |
|---|---|---|
| Prices excluding VAT and shipping costs | 1-4 | €45.05 |
| 5-19 | €39.79 | |
| 20-49 | €33.58 | |
| from 50 | On request |
NRND (Not Recommended for New Designs): These products continue to be available, but are not recommended for new projects. Our sales team will be happy to suggest alternatives.
Specifications
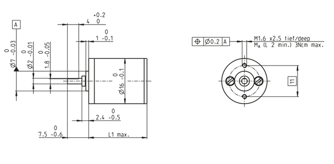
Technical illustrations
- Dimension drawing
Information: Drawings are not to scale.
| General information | |
| Gearhead type | GS |
| Outer diameter | 16 mm |
| Version | Plastic version |
| Gearhead Data | |
| Reduction | 371 : 1 |
| Absolute reduction | 26782109/72171 |
| Max. motor shaft diameter | 1.5 mm |
| Number of stages | 5 |
| Max. continuous torque | 0.03 Nm |
| Max. intermittent torque | 0.1 Nm |
| Direction of rotation, drive to output | != |
| Max. efficiency | 59 % |
| Average backlash no load | 1.2 ° |
| Mass inertia | 0.0019 gcm² |
| Gearhead length (L1) | 16.8 mm |
| Max. transmittable power (continuous) | 0.068 W |
| Max. transmittable power (intermittent) | 0.085 W |
| Technical Data | |
| Bearing at output | sleeve bearing |
| Radial play | max. 0.15 mm, 6 mm from flange |
| Axial play | 0.02 - 0.12 mm |
| Max. radial load | 1 N, 6.5 mm from flange |
| Max. axial load (dynamic) | 2 N |
| Max. force for press fits | 15 N |
| Max. continuous input speed | 8000 rpm |
| Max. intermittent input speed | 8000 rpm |
| Recommended temperature range | -15...+80 °C |
| Extended temperature range | 80...+80 °C |
| Number of autoclave cycles | 0 |
| Product | |
| Weight | 11 g |
